
蓝牙方型软包入壳封装机采用夹具循环(一出二)转盘式设计. 铝塑膜人工整卷上料.自动放卷.恒定张力控制.张力大小无级调节;铝塑膜两片模具自动冲坑(气缸或伺服冲坑).增压缸压紧铝塑壳; 铝塑壳伺服自动定长拉料;自动分切; 自动切断;铝塑壳机械手自动吸壳并变距放于转盘夹具内;自动对折;自动切顶边;电芯人工单个放于定位夹具内;吸盘机械手吸电芯自动入壳对折;自动顶封; 自动侧封; 自动(可选自动修边与不修边)短路测试;自动开夹;下料机械手自动下料到下料拉带, NG自动分选下料到NG盒;整个过程自动化生产;共1人上裸电芯;连续生产;整个设备外型美观;调试维护方便;模块工位化设计.
整机结构采用分体式设计.操作.维护.运输方便.使用安全;PLC控制.触摸屏显示操作.设计分段启动.停止.完善的报警功能及其它报警提示记忆功能
1.铝塑膜人工整卷上料;自动放卷
2.铝塑膜机械手自动拉料
3.自动冲壳成型
4.铝塑膜自动分切
5.铝塑膜自动切断
6.吸盘机械手自动吸壳到转盘夹具
7.铝塑壳自动对折
8.自动切顶边
9.人工单个放裸电芯料到定位夹具
10. 吸盘机械手自动吸裸电芯到转盘夹具
11.自动顶封
12.自动侧封
13.自动修边短路测式
14.自动开夹具
15.自动下料装盘
16. 良品下料到输送带
17.人工在拉带上收料
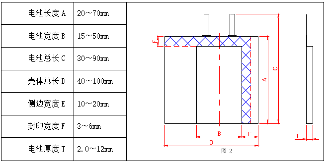
1.适应产品规格:见下表(含气袋)
2.产能:每小时800-900PCS只电池;(由工艺时间参数而定.如封装时间为4秒;一个循环周期为8秒,产能约为900个/小时)
3.切刀长度:300mm
4.铝塑膜最大来料外径:φ300mm;轴心为3寸气胀轴固定
5.铝塑膜最大来料宽度:300
6.铝塑膜放卷方式及张力:电机主动放卷,速度可调,张力无极可调
7.铝塑膜分切:一出二,分切位置可调
8.冲坑深度: 2-6mm(伺服驱动冲坑)
9.铝塑膜压紧方式: 增压缸;出力吨位:5T
10.模具:两片模具;(换型时更换)
11.伺服拉料精度:≤0.15
12.封装时间:可设置
13.封装温度:可设置
14.封装压力:可调节:
15.顶封头最大长度: 140mm;侧封头最大长度: 140mm;材质为铜(H62);
16.硬封装平行度;±0.015MM:发热体连接块采用高强度.高硬度.抗高温的热作模具材料连接,确保发热体及封头不变行,易调节;上下封头导向采用高精密导轨;设有X.Y方向螺丝机械式调节;
17.封头安装孔位及形式:见下图(关键尺寸,详细尺寸向制作时向客户索取;图示是单封头,供应商可依据此视情况变长短,但必须经客户书面确认); 顶封封头参考图(有两个极耳槽位)
18.极耳槽位封印不得压到极耳金属部分,封后极耳中心线与极耳理论中心线偏离不大于0.3mm,极耳胶突出0.3-0.8mm;
19.顶封上下两铝箔端面错位小于0.2mm;
20.短路测试: 正极耳与负极耳;正极耳与铝塑膜;负极耳与铝塑膜;不得损坏已封边和预封边;
21.下料分选: NG自动下料到料盒;良品下料到拉带,人工收料;
22.操作员:1人负责操作设备,负责放裸体电芯及自检收料;
23.成品电芯外观:表面光滑平整,封痕完整无褶皱胶斑,角位、楞内外无破损,不得有短路及划伤;
24.封装后成品信息如下图示(需要与客户公司最终确认,此图仅供方案参考)
25.顶,侧封封印宽度由客户提供数据确定(需要与客户公司最终确认,此图仅供方案参考)
26.电源:AC380V,50 Hz,最大功率8KW
27.压缩空气:0.5~0.7Mpa,最大消耗量15L/min,进气管采用φ12接口
28.真空源(客户提供):-98Kpa,最大消耗量3L/min,进气管采用φ12接口
29外型尺寸:长3600MMx宽2100MMx高1800MM.(以实物为准)
30设备重量:1700KG.(以实际为准)
31.设备承重比:控制总重与承重面积之比≤500kg/m2
32.离机器外壁 1000MM 测量,设备噪音≤ 75 db
33.设备稼动率≥95%(只有设备造成的故障,设备的定期维护,产前准备不计在内)
34.设备嫁动率:≥95%
35.设备故障率:≤2%
36.产品合格率:≥99.5%